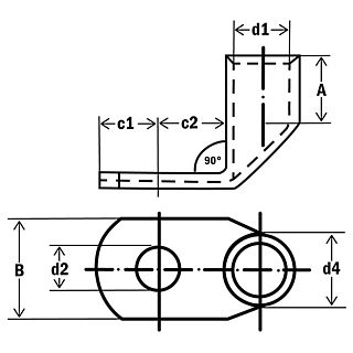
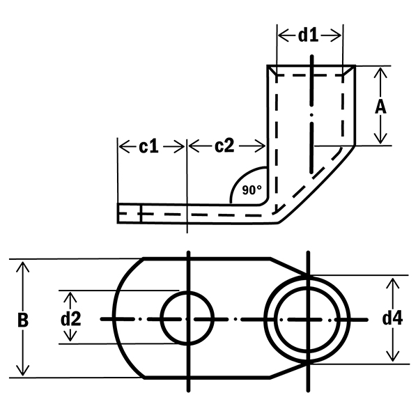
Angled cable lugs 90° acc. to DIN 46325

• Material: 99,9% E-Cu DIN 40500
• Tube dimension acc. to DIN 46235
• Surface: tin-plated
• With marks for correct crimping
• Annealed material for easier crimping

Quantity Art.No. EAN Cross sectionMd4d1d2Ac1c2Bv1v2PU
291700 4011923173913 6 mm² 5 5.3 mm 3.8 mm 5.5 mm 10 6.5 mm 9 mm 8.5 mm 2 0 100
291702 4011923173920 6 mm² 6 6.4 mm 3.8 mm 5.5 mm 10 7.5 mm 10 mm 8.5 mm 2 0 100
291704 4011923173937 10 mm² 5 5.3 mm 4.5 mm 6 mm 10 7 mm 10 mm 9 mm 2 0 100
291706 4011923173944 10 mm² 6 6.4 mm 4.5 mm 6 mm 10 7.5 mm 10 mm 9 mm 2 0 100
291708 4011923173951 10 mm² 8 8.4 mm 4.5 mm 6 mm 10 10 mm 13 mm 13 mm 2 0 100
291710 4011923173975 16 mm² 6 6.4 mm 5.5 mm 8.5 mm 20 7.5 mm 11 mm 13 mm 2 1 50
291712 4011923173982 16 mm² 8 8.4 mm 5.5 mm 8.5 mm 20 10 mm 13 mm 13 mm 2 1 50
291714 4011923173999 16 mm² 10 10.5 mm 5.5 mm 8.5 mm 20 12 mm 15 mm 17 mm 2 1 50
291716 4011923174002 16 mm² 12 13 mm 5.5 mm 8.5 mm 20 13 mm 18 mm 18 mm 2 1 50
291718 4011923174019 25 mm² 6 6.4 mm 7 mm 10 mm 20 7.5 mm 11 mm 14 mm 2 1 50
291720 4011923173968 25 mm² 8 8.4 mm 7 mm 10 mm 20 10 mm 13 mm 16 mm 2 1 50
291722 4011923174026 25 mm² 10 10.5 mm 7 mm 10 mm 20 12 mm 15 mm 17 mm 2 1 50
291724 4011923174033 25 mm² 12 13 mm 7 mm 10 mm 20 13 mm 18 mm 19 mm 2 1 50
291726 4011923174040 35 mm² 8 8.4 mm 8.2 mm 12.5 mm 20 10 mm 13 mm 17 mm 2 1 25
291728 4011923174057 35 mm² 10 10.5 mm 8.2 mm 12.5 mm 20 12 mm 15 mm 19 mm 2 1 25
291730 4011923174064 35 mm² 12 13 mm 8.2 mm 12.5 mm 20 13 mm 18 mm 21 mm 2 1 25
291732 4011923174071 50 mm² 8 8.4 mm 10 mm 14 mm 28 10 mm 16 mm 20 mm 3 1 25
291734 4011923174088 50 mm² 10 10.5 mm 10 mm 14 mm 28 12 mm 16 mm 22 mm 3 1 20
291736 4011923174095 50 mm² 12 13 mm 10 mm 14.5 mm 28 13 mm 18 mm 24 mm 3 1 20
291738 4011923174101 50 mm² 16 17 mm 10 mm 14.5 mm 28 16 mm 22 mm 28 mm 3 1 20
291740 4011923174118 70 mm² 8 8.4 mm 11.5 mm 16.5 mm 28 10 mm 14 mm 24 mm 3 1 30
291742 4011923174125 70 mm² 10 10.5 mm 11.5 mm 16.5 mm 28 12 mm 16 mm 24 mm 3 1 30
291744 4011923174132 70 mm² 12 13 mm 11.5 mm 16.5 mm 28 13 mm 18 mm 24 mm 3 1 15
291746 4011923174149 70 mm² 16 17 mm 11.5 mm 16.5 mm 28 16 mm 22 mm 30 mm 3 1 30
291748 4011923174156 95 mm² 10 10.5 mm 13.5 mm 19 mm 35 12 mm 17 mm 28 mm 4 2 10
291750 4011923174163 95 mm² 12 13 mm 13.5 mm 19 mm 35 13 mm 18 mm 28 mm 4 2 10
291752 4011923174170 95 mm² 16 17 mm 13.5 mm 19 mm 35 16 mm 22 mm 32 mm 4 2 10
291754 4011923174187 120 mm² 10 10.5 mm 15.5 mm 21 mm 35 15 mm 17 mm 32 mm 4 2 20
291756 4011923174194 120 mm² 12 13 mm 15.5 mm 21 mm 35 16 mm 18 mm 32 mm 4 2 20
291758 4011923174200 120 mm² 16 17 mm 15.5 mm 21 mm 35 18 mm 22 mm 32 mm 4 2 20
291760 4011923174217 120 mm² 20 21 mm 15.5 mm 21 mm 35 21 mm 24 mm 38 mm 4 2 15
291762 4011923174224 150 mm² 10 10.5 mm 17 mm 23.5 mm 35 15 mm 17 mm 34 mm 4 2 15
291764 4011923174231 150 mm² 12 13 mm 17 mm 23.5 mm 35 16 mm 18 mm 34 mm 4 2 15
291766 4011923174248 150 mm² 16 17 mm 17 mm 23.5 mm 35 19 mm 22 mm 34 mm 4 2 15
291768 4011923174255 150 mm² 20 21 mm 17 mm 23.5 mm 35 21 mm 24 mm 40 mm 4 2 10
291770 4011923174262 185 mm² 10 10.5 mm 19 mm 25.5 mm 40 15 mm 22 mm 37 mm 4 2 10
291772 4011923174279 185 mm² 12 13 mm 19 mm 25.5 mm 40 16 mm 22 mm 37 mm 4 2 10
291774 4011923174286 185 mm² 16 17 mm 19 mm 25.5 mm 40 19 mm 22 mm 37 mm 4 2 10
291776 4011923174293 185 mm² 20 21 mm 19 mm 25.5 mm 40 21 mm 24 mm 40 mm 4 2 10
291778 4011923174309 240 mm² 12 13 mm 21.5 mm 29 mm 40 16 mm 22 mm 42 mm 5 2 10
291780 4011923174316 240 mm² 16 17 mm 21.5 mm 29 mm 40 19 mm 22 mm 42 mm 5 2 10
291782 4011923174323 240 mm² 20 21 mm 21.5 mm 29 mm 40 21 mm 24 mm 45 mm 5 2 10